helo Hanko60 6.0kw 単相 又は 三相 黒
| 価格(税抜) | 397,500円437,250円(税込) |
| メーカー | helo |
商品詳細
Helo創業100周年記念のハンドメイドヒーター
Helo Hanko (ヘロ ハンコ)
【スペックとオプション】
・スマート機能:wifi対応(+¥99,000)
・加湿機能:純正内蔵ウォータータンク(+¥27,500)
・ひし形PSEマーク:取得済み
・サウナ床面積:6.0kwの場合 3.3~6.0㎡
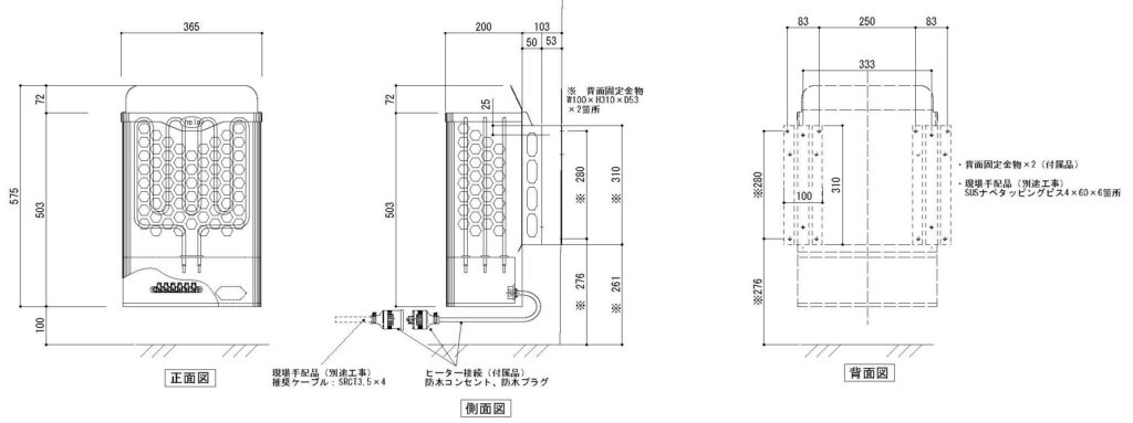
・サイズ:W365×Ⅾ250×H575
・石積載量:20〜35kg
※サウナストーン40㎏、コントロールBOX、コントロールパネル、温度センサーが付属します。
ーーーーーーーーーーーーーーー
※ご注文時に単相または三相の指定が必要です。
Hanko(ハンコ)はHelo(へロ)の生産工場がある町の名前に由来する最新のサウナヒーターです。
Helo社が創業100周年を迎えたことを記念し、開発しました。美しく積まれたサウナストーンが目を引くシンプルなデザインには30kg超のサウナストーンを積むことが可能です。数年にわたる開発期間を経て設計された逸品を熟成工によるハンドメイドにこだわって生み出されています。
最新のwifi対応モデルのため、 オプションのhelo Eliteコントローラーで外出先からの電源のON/OFFやモーニングタイマーにより入りたいときにすぐにサウナに入ることが可能です。
カラーバリエーションはクロームと黒の2種です。
▼単相200V 6.0kw


▼三相200V 6.0kw


電気サウナヒーター設置時の離隔距離について
サウナヒーターの設置に際しては、下記図面をご確認のうえ、製品に付属する固定金具および
指定のねじ・ボルトを使用し、以下の手順で確実に固定してください。

- 背面固定金具を、指定のねじを用いて壁面に取り付けてください。
壁面の下地には補強材を入れ、ねじが確実に効く構造体に固定してください。 - 背面固定金具に、付属のボルトを使用してサウナヒーター本体を取り付けてください。
ボルトは確実に締結し、ゆるみがないことを確認してください。
セット内容
オプション
・加湿機能:純正内蔵ウォータータンク(+¥27,500)
お見積り・お問い合わせ
購入やお見積もりをご希望の方、サウナの選び方や工事、配送、法律、商品に関する相談をご希望の方は以下よりお問合せください。













